切换城市:
[重庆]
上海
北京
广州
深圳
武汉
天津
西安
南京
杭州
成都
重庆
贵阳
三亚
昆明
遵义
丽江
万州
长沙
无锡
厦门
公司首页
企业简介
建筑设计
仿古建筑
规划设计
景观设计
装饰设计
民宿设计
联系我们
您当前的位置:
首页
>
建筑设计
>
外墙改造
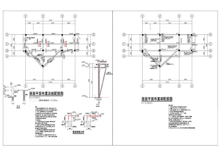
恒大小区厕所施工图
上一篇:
二郎金字塔(改建)
下一篇:
建筑设计院谈波茨坦广场改造